昆都仑
卜尔汉图镇内蒙古鑫元硅材料科技有限公司“10·28”一般起重伤害死亡事故
调查报告
包头市昆都仑区人民政府事故调查组
2025年12月16日
昆都仑
卜尔汉图镇内蒙古鑫元硅材料科技有限公司“10·28”
一般起重伤害死亡事故调查报告目录
(三)建议给予行政处罚单位
2025年10月28日14时39分,内蒙古鑫元硅材料科技有限公司精整二车间,一名工人在操作桥式起重机械吊装合金斗时,被两个合金斗挤压受伤,120到场后于15时23分确认该名工人死亡。事故造成直接经济损失118.328万元。接到事故报告后,包头市应急管理局、昆区政府分管领导、昆都仑公安分局、昆区应急管理局及包头昆都仑经济技术开发区等单位负责人及专家组成员赶赴现场勘查并召开事故调查处理调度会。
依据《安全生产法》和《生产安全事故报告和调查处理条例》等有关法律法规规定,昆都仑区人民政府于2025年11月4日成立了由昆区应急管理局牵头,昆都仑公安分局、昆区总工会、包头昆都仑经济技术开发区组成的“昆都仑卜尔汉图镇内蒙古鑫元硅材料科技有限公司‘10·28’一般起重伤害死亡事故调查组”(以下简称事故调查组),同时聘请三名技术专家及一名法律顾问参与事故调查。
事故调查组本着科学严谨、依法依规、实事求是、注重实效的原则查明了事故发生的经过、原因、人员伤亡和直接经济损失情况,认定了事故性质,并针对事故原因提出了防范建议。经认定,昆都仑卜尔汉图镇内蒙古鑫元硅材料科技有限公司“10·28”一般起重伤害死亡事故是因工人违反安全操作规程导致的一般生产安全责任事故,现报告如下:
一、事故相关单位基本情况
(一)发包单位情况
内蒙古鑫元硅材料科技有限公司成立于2021年4月2日,注册资本:叁拾柒亿陆仟柒佰伍拾万(人民币元),单位类型:其他有限责任公司,单位地址:内蒙古自治区包头市昆都仑区金属深加工园区管委会办公楼402室,法定代表人:李X。统一社会信用代码:91150203MAOR5BXXXX。经营范围:电子专用材料制造;电子专用材料研发;电子专用材料销售;光伏设备及元器件制造;光伏设备及元器件销售;非金属矿物制品制造;非金属矿及制品销售;常用有色金属冶炼;石墨及碳素制品制造;工程和技术研究和试验发展;自然科学研究和试验发展;技术服务、技术开发、技术咨询、技术交流、技术转让、技术推广;技术进出口;货物进出口。
(二)承包单位情况
1.徐州华厦商务管理有限公司成立于2006年10月13日,注册资本:320万元整,单位类型:有限责任公司(自然人投资或控股),单位地址:徐州经济开发区软件园智德楼A座913室,法定代表人:陈XX。统一社会信用代码:91320301793806XXXX。经营范围:许可项目:劳务派遣服务(依法须经批准的项目,经相关部门批准后方可开展经营活动,具体经营项目以审批结果为准)。一般项目:商务代理代办服务;劳务服务(不含劳务派遣;物业管理;互联网数据服务;市场调查(不含涉外调查);人力资源服务(不含职业中介活动、劳务派遣服务);生产线管理服务;承接档案服务外包;业务培训(不含教育培训、职业技能培训等需取得许可的培训);园区管理服务;公共事业管理服务;停车场服务;特种作业人员安全技术培训。
2.内蒙古佰邦劳务服务有限公司成立于2023年9月20日,注册资本:贰佰万元(人民币元),单位类型:有限责任公司(自然人投资或控股),单位地址:内蒙古自治区包头市昆都仑区团结大街街道团结大街22号街坊明日星城怡河苑8-417,法定代表人:马XX。统一社会信用代码:91150203MACXOKXXXX。经营范围:许可项目:建筑劳务分包。一般项目:劳务服务(不含劳务派遣)。
(三)项目发包情况
1.甲方(发包方)内蒙古鑫元硅材料科技有限公司与乙方(承包方)徐州华厦商务管理有限公司签订了劳务外包协议,明确了双方的权利和义务,协议期限自2025年1月20日起至2026年1月19日止,甲方按月与乙方结算外包服务费用,外包服务费:70 元 /人/月。
2.甲方(发包方)徐州华厦商务管理有限公司与乙方(承包方)内蒙古佰邦劳务服务有限公司2023年9月21日签订了劳务分包协议。双方确认,由甲方与内蒙古鑫元硅材料科技有限公司按62元/吨进行结算劳务费用且待内蒙古鑫元硅材料科技有限公司支付相应款项后,双方同意甲方按乙方员工人数每人每月70元的标准收取管理费用,该费用从内蒙古鑫元硅材料科技有限公司支付的劳务费用中予以直接扣除收取。甲乙双方与2025年3月1日签订了补充协议,将《劳务分包协议》第一条变更为:甲方将内蒙古鑫元硅材料科技有限公司精整、磨粉压块和硅粉外运业务发包给乙方,乙方承包期间,自主经营,自负盈亏;将《劳务分包协议》第二条变更为:双方确认,由甲方与内蒙古鑫元硅材料科技有限公司按精整业务43元/吨、磨粉压块业务根据人员实际出勤情况按 8500 元/人/月标准核算、硅粉外运业务根据人员实际出勤情况按 7000元/人/月标准核算,核算无误后结算外包费用且待内蒙古鑫元硅材料科技有限公司向甲方支付相应款项后,双方同意甲方按乙方员工人数每人每月70元的标准收取管理费用,该费用从内蒙古鑫元硅材料科技有限公司支付的劳务费用中予以直接扣除收取,如扣除金额不足管理费用则由乙方次月向甲方予以足额补足。
(四)涉事设备情况
设备类别:桥式起重机
设备品种:电动单梁起重机
额定起重量:10t
设备型号规格:LD10-22.5 A4
设备代码:417010461202232536
使用登记证编号:起17蒙BC00163(23)
二、直接经济损失

表1 人员死亡情况和直接经济损失
三、事故经过
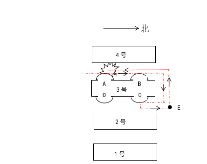
2025年10月28日14时39分,内蒙古鑫元硅材料科技有限公司精整车间劳务外包作业员工艾XX·艾XX使用无线遥控器操作厂房内桥式起重机吊运合金斗到钢板区进行摆放,艾XX·艾XX右手操作遥控器左手持铁钩,将合金斗放在了原来已经摆放好的2号和4号合金斗中间,操作钩头开始下降,四条锁具显示已不受力,艾XX·艾XX右手持遥控器沿着3号合金斗的西侧依次解开A、B、C三处锁具后沿着原路线返回,在返回至E点时,钩头开始起升并向南动作,艾XX·艾XX抬起双臂,面朝东向行进至A点附近,被3号和4号合金斗挤压致死。(现场平面布置及人员活动路线见图1)
北

![]()
![]()
![]()
![]()
![]()
![]()
![]()
![]()
![]()
![]()
![]()
![]()
![]()
![]()
![]()
![]()
![]()
![]()
图1 现场平面布置及人员活动路线
四、事故救援和报告情况
事故发生后,麦XX·阿XX(班长)、伊XX·阿XX(死者同班工友)、阿XX·艾XX(与死者同为固定操作行车人员)、赛XX·图XX(死者同班工友)四人(皆为内蒙古佰邦劳务服务有限公司)第一时间到达事故现场开展救援,由于艾XX·艾XX上半身(前胸和后背)被两个合金斗挤着无法抬出来,麦XX·阿XX使用遥控器操作桥式起重机把艾XX·艾XX从两个合金斗之间救下来,随后上述四人将艾XX·艾XX抬到精整二车间门口,艾XX·艾XX呼吸困难,麦XX·阿XX开始做心肺复苏,同时现场有人拨打了120急救电话,半小时左右120救护车到达现场,医生检查后于15时23分宣布艾XX·艾XX已无生命体征。
付XXX(内蒙古鑫元硅材料科技有限公司磨粉车间助理主管)15时23分拨打了报警电话。
五、事故现场勘查情况
1.2025年10月28日16时左右,专家组到达现场调取现场监控录像视频,并对现场涉事设备进行勘查,事故发生时艾XX·艾XX使用无线遥控器(见图2)操作厂房内桥式起重机吊运合金斗到钢板区进行摆放,合金斗放到预定位置后开始进行摘钩作业(摘钩行走路线见图3),当摘完第三个吊钩时,桥式起重机已开始有上升动作,未完全摘完吊钩的合金斗向厂房西侧方向发生位移,将艾XX·艾XX挤在两个相邻的合金斗中央(见图4)(事发合金斗长3.23米、宽2.24米、高1.38米,重量约6吨)。

图2 无线遥控器

图3 摘钩行走路线图![]()

图4.1 合金斗的尺寸
![]()

图4.2 合金斗的相邻距离
2.事故相关检测和鉴定情况
2025年11月19日,内蒙古自治区特种设备检验研究院依据《起重机械安全技术规程》(TSG 51-2023)对内蒙古鑫元硅材料科技有限公司精整车间设备型号为LD10-22.5 A4的桥式起重机进行了检验,检测项目共29项均检验合格。
3.排除原因
经现场勘查和询问,排除作业现场有强磁场干扰遥控器或电气元件产生误动作。
六、事故发生的原因
事故调查组本着实事求是的原则,对有关人员进行了仔细的调查询问、现场进行勘查,对收集到的各种证据进行了认真分析研究,同时依据技术分析及司法鉴定结果得出:
(一)事故直接原因
艾XX·艾XX在操作桥式起重机械吊装合金斗时违规操作,歪拉斜吊,未与合金斗保持安全距离,一手操作遥控器一手挂钩。违反了《内蒙古鑫元硅材料科技有限公司企业标准-精整车间安全管理细则》5.3行车工安全操作规程中:“5.3.5严禁歪拉斜吊和超负荷起吊,吊运尖锐物品时应做好防割措施;5.3.6起吊时应进行试吊,确认所吊货物在荷载范围内,起吊时要及时通知周边人员撤离,保持五米以上安全距离;5.3.9严禁一手操作遥控器一手挂钩,严禁手扶吊物”及《中华人民共和国安全生产法》第五十七条“从业人员在作业过程中,应当严格落实岗位安全责任,遵守本单位的安全生产规章制度和操作规程,服从管理,正确佩戴和使用劳动防护用品”的规定。
(二)事故间接原因
1.内蒙古鑫元硅材料科技有限公司安全生产主体责任落实不到位,对承包方安全管理不到位,未做到及时检查、纠正承包方的违规行为。对现场作业风险辨识不到位,作业过程中应采取的安全措施不到位。违反了《中华人民共和国安全生产法》第四十三条“生产经营单位进行爆破、吊装、动火、临时用电以及国务院应急管理部门会同国务院有关部门规定的其他危险作业,应当安排专门人员进行现场安全管理,确保操作规程的遵守和安全措施的落实”的规定。
2.内蒙古佰邦劳务服务有限公司安全教育不到位,安全培训流于形式,作业人员安全意识不强。违反了《中华人民共和国安全生产法》第二十八条第一款“生产经营单位应当对从业人员进行安全生产教育和培训,保证从业人员具备必要的安全生产知识,熟悉有关的安全生产规章制度和安全操作规程,掌握本岗位的安全操作技能,了解事故应急处理措施,知悉自身在安全生产方面的权利和义务。未经安全生产教育和培训合格的从业人员,不得上岗作业”及第四款“生产经营单位应当建立安全生产教育和培训档案,如实记录安全生产教育和培训的时间、内容、参加人员以及考核结果等情况”的规定。
七、事故性质
经事故调查组对造成事故发生的原因分析后认定昆都仑卜尔汉图镇内蒙古鑫元硅材料科技有限公司“10·28”一般起重伤害死亡事故是一起一般生产安全责任事故。
八、对事故责任人及责任单位的处理建议
(一)建议不予追责人员(1人)
艾XX·艾XX(身份证号65312519860208XXXX):在操作桥式起重机械吊装合金斗时违规操作,歪拉斜吊,未与合金斗保持安全距离,一手操作遥控器一手挂钩。违反了《内蒙古鑫元硅材料科技有限公司企业标准-精整车间安全管理细则》5.3行车工安全操作规程中:“5.3.5严禁歪拉斜吊和超负荷起吊,吊运尖锐物品时应做好防割措施;5.3.6起吊时应进行试吊,确认所吊货物在荷载范围内,起吊时要及时通知周边人员撤离,保持五米以上安全距离;5.3.9严禁一手操作遥控器一手挂钩,严禁手扶吊物”及《中华人民共和国安全生产法》第五十七条“从业人员在作业过程中,应当严格落实岗位安全责任,遵守本单位的安全生产规章制度和操作规程,服从管理,正确佩戴和使用劳动防护用品”的规定,在本起事故中负有主要责任,鉴于其在事故中死亡,建议不予追究。
(二)建议进行行政处罚人员(7人)
1.麦XX·阿XX(身份证号65312519921101XXXX):内蒙古佰邦劳务服务有限公司驻内蒙古鑫元硅材料科技有限公司精整二车间班长,安全风险辨识不到位,现场安全检查不到位,未制止和纠正违反操作规程行为。违反了《中华人民共和国安全生产法》第二十五条第三、五、六项“生产经营单位的安全生产管理机构以及安全生产管理人员履行下列职责:(三)组织开展危险源辨识和评估,督促落实本单位重大危险源的安全管理措施;(五)检查本单位的安全生产状况,及时排查生产安全事故隐患,提出改进安全生产管理的建议;(六)制止和纠正违章指挥、强令冒险作业、违反操作规程的行为”的规定,依据《中华人民共和国安全生产法》第九十六条“生产经营单位的其他负责人和安全生产管理人员未履行本法规定的安全生产管理职责的,责令限期改正,处一万元以上三万元以下的罚款;导致发生生产安全事故的,暂停或者吊销其与安全生产有关的资格,并处上一年年收入百分之二十以上百分之五十以下的罚款;构成犯罪的,依照刑法有关规定追究刑事责任”的规定,建议区应急管理局对麦XX·阿XX进行行政处罚。
2.麦XX·麦XX(身份证号65312519950710XXXX):内蒙古佰邦劳务服务有限公司驻内蒙古鑫元硅材料科技有限公司精整二车间车间主任、安全员(无证),安全风险辨识不到位,现场安全检查不到位,未制止和纠正违反操作规程行为。违反了《中华人民共和国安全生产法》第二十五条第三、五、六项“生产经营单位的安全生产管理机构以及安全生产管理人员履行下列职责:(三)组织开展危险源辨识和评估,督促落实本单位重大危险源的安全管理措施;(五)检查本单位的安全生产状况,及时排查生产安全事故隐患,提出改进安全生产管理的建议;(六)制止和纠正违章指挥、强令冒险作业、违反操作规程的行为”的规定,依据《中华人民共和国安全生产法》第九十六条“生产经营单位的其他负责人和安全生产管理人员未履行本法规定的安全生产管理职责的,责令限期改正,处一万元以上三万元以下的罚款;导致发生生产安全事故的,暂停或者吊销其与安全生产有关的资格,并处上一年年收入百分之二十以上百分之五十以下的罚款;构成犯罪的,依照刑法有关规定追究刑事责任”的规定,建议区应急管理局对麦XX·麦XX进行行政处罚。
3.马XX(身份证号65232419760609XXXX):内蒙古佰邦劳务服务有限公司法定代表人,履行安全生产第一责任人不到位,督促、检查安全生产工作不到位,未制定生产安全事故应急救援预案。违反了《中华人民共和国安全生产法》第五条“生产经营单位的主要负责人是本单位安全生产第一责任人,对本单位的安全生产工作全面负责。其他负责人对职责范围内的安全生产工作负责”及第二十一条第五、六项“生产经营单位的主要负责人对本单位安全生产工作负有下列职责:(五)组织建立并落实安全风险分级管控和隐患排查治理双重预防工作机制,督促、检查本单位的安全生产工作,及时消除生产安全事故隐患;(六)组织制定并实施本单位的生产安全事故应急救援预案”的规定,依据《中华人民共和国安全生产法》第九十五条第一项“生产经营单位的主要负责人未履行本法规定的安全生产管理职责,导致发生生产安全事故的,由应急管理部门依照下列规定处以罚款:(一)发生一般事故的,处上一年年收入百分之四十的罚款”的规定,建议区应急管理局对马XX进行行政处罚。
4.付XXX(身份证号15020219840920XXXX):内蒙古鑫元硅材料科技有限公司磨粉车间助理主管,安全风险辨识不到位,现场安全隐患排查不到位,未制止和纠正违反操作规程行为,对岗位必须具备的安全生产知识不了解。违反了《中华人民共和国安全生产法》第二十五条第三、五、六项“生产经营单位的安全生产管理机构以及安全生产管理人员履行下列职责:(三)组织开展危险源辨识和评估,督促落实本单位重大危险源的安全管理措施;(五)检查本单位的安全生产状况,及时排查生产安全事故隐患,提出改进安全生产管理的建议;(六)制止和纠正违章指挥、强令冒险作业、违反操作规程的行为”及第二十七条第一款“生产经营单位的主要负责人和安全生产管理人员必须具备与本单位所从事的生产经营活动相应的安全生产知识和管理能力”的规定,依据《中华人民共和国安全生产法》第九十六条“生产经营单位的其他负责人和安全生产管理人员未履行本法规定的安全生产管理职责的,责令限期改正,处一万元以上三万元以下的罚款;导致发生生产安全事故的,暂停或者吊销其与安全生产有关的资格,并处上一年年收入百分之二十以上百分之五十以下的罚款;构成犯罪的,依照刑法有关规定追究刑事责任”的规定,建议区应急管理局对付XXX进行行政处罚。
5.纪XX(身份证号34010419700806XXXX):内蒙古鑫元硅材料科技有限公司安全总监,安全管理不到位,安全风险辨识不到位,现场安全隐患排查不到位。违反了《中华人民共和国安全生产法》第二十五条第三、五项“生产经营单位的安全生产管理机构以及安全生产管理人员履行下列职责:(三)组织开展危险源辨识和评估,督促落实本单位重大危险源的安全管理措施;(五)检查本单位的安全生产状况,及时排查生产安全事故隐患,提出改进安全生产管理的建议”的规定,依据《中华人民共和国安全生产法》第九十六条“生产经营单位的其他负责人和安全生产管理人员未履行本法规定的安全生产管理职责的,责令限期改正,处一万元以上三万元以下的罚款;导致发生生产安全事故的,暂停或者吊销其与安全生产有关的资格,并处上一年年收入百分之二十以上百分之五十以下的罚款;构成犯罪的,依照刑法有关规定追究刑事责任”的规定,建议区应急管理局对纪XX进行行政处罚。
6.樊XX(身份证号32118319820130XXXX):内蒙古鑫元硅材料科技有限公司副总经理,分管内蒙古鑫元硅材料科技有限公司纳米硅工作,安全管理不到位,安全风险辨识不到位,现场安全隐患排查不到位。违反了《中华人民共和国安全生产法》第二十五条第三、五项“生产经营单位的安全生产管理机构以及安全生产管理人员履行下列职责:(三)组织开展危险源辨识和评估,督促落实本单位重大危险源的安全管理措施;(五)检查本单位的安全生产状况,及时排查生产安全事故隐患,提出改进安全生产管理的建议”的规定,依据《中华人民共和国安全生产法》第九十六条“生产经营单位的其他负责人和安全生产管理人员未履行本法规定的安全生产管理职责的,责令限期改正,处一万元以上三万元以下的罚款;导致发生生产安全事故的,暂停或者吊销其与安全生产有关的资格,并处上一年年收入百分之二十以上百分之五十以下的罚款;构成犯罪的,依照刑法有关规定追究刑事责任”的规定,建议区应急管理局对樊XX进行行政处罚。
7.李X(身份证号31010419661213XXXX):内蒙古鑫元硅材料科技有限公司法定代表人,履行安全生产第一责任人不到位, 督促、检查安全生产工作不到位。违反了《中华人民共和国安全生产法》第五条“生产经营单位的主要负责人是本单位安全生产第一责任人,对本单位的安全生产工作全面负责。其他负责人对职责范围内的安全生产工作负责”及第二十一条第五项“生产经营单位的主要负责人对本单位安全生产工作负有下列职责:(五)组织建立并落实安全风险分级管控和隐患排查治理双重预防工作机制,督促、检查本单位的安全生产工作,及时消除生产安全事故隐患”的规定,依据《中华人民共和国安全生产法》第九十五条第一项“生产经营单位的主要负责人未履行本法规定的安全生产管理职责,导致发生生产安全事故的,由应急管理部门依照下列规定处以罚款:(一)发生一般事故的,处上一年年收入百分之四十的罚款”的规定,建议区应急管理局对李X进行行政处罚。
1.内蒙古佰邦劳务服务有限公司现场安全检查不到位,安全教育培训不到位,导致员工违章操作,违反了《中华人民共和国安全生产法》第四条第一款“生产经营单位必须遵守本法和其他有关安全生产的法律、法规,加强安全生产管理,建立健全全员安全生产责任制和安全生产规章制度,加大对安全生产资金、物资、技术、人员的投入保障力度,改善安全生产条件,加强安全生产标准化、信息化建设,构建安全风险分级管控和隐患排查治理双重预防机制,健全风险防范化解机制,提高安全生产水平,确保安全生产”及第二十八条第一款“生产经营单位应当对从业人员进行安全生产教育和培训,保证从业人员具备必要的安全生产知识,熟悉有关的安全生产规章制度和安全操作规程,掌握本岗位的安全操作技能,了解事故应急处理措施,知悉自身在安全生产方面的权利和义务。未经安全生产教育和培训合格的从业人员,不得上岗作业”的规定,依据《生产安全事故罚款处罚规定》(中华人民共和国应急管理部令第14号)第十四条“事故发生单位对一般事故负有责任的,依照下列规定处以罚款:(二)造成1人死亡,或者3人以上6人以下重伤,或者300万元以上500万元以下直接经济损失的,处50万元以上70万元以下的罚款”的规定,建议区应急管理局对内蒙古佰邦劳务服务有限公司进行行政处罚。
2.内蒙古鑫元硅材料科技有限公司现场安全隐患排查不到位,安全监督管理不到位,未发现劳务分包工人违章操作,违反了《中华人民共和国安全生产法》第四条第一款“生产经营单位必须遵守本法和其他有关安全生产的法律、法规,加强安全生产管理,建立健全全员安全生产责任制和安全生产规章制度,加大对安全生产资金、物资、技术、人员的投入保障力度,改善安全生产条件,加强安全生产标准化、信息化建设,构建安全风险分级管控和隐患排查治理双重预防机制,健全风险防范化解机制,提高安全生产水平,确保安全生产”及第四十三条“生产经营单位进行爆破、吊装、动火、临时用电以及国务院应急管理部门会同国务院有关部门规定的其他危险作业,应当安排专门人员进行现场安全管理,确保操作规程的遵守和安全措施的落实”的规定。
依据《生产安全事故罚款处罚规定》(中华人民共和国应急管理部令第14号)第十四条“事故发生单位对一般事故负有责任的,依照下列规定处以罚款:(二)造成1人死亡,或者3人以上6人以下重伤,或者300万元以上500万元以下直接经济损失的,处50万元以上70万元以下的罚款”的规定,建议区应急管理局对内蒙古鑫元硅材料科技有限公司进行行政处罚。
九、事故防范措施
针对本次事故,内蒙古鑫元硅材料科技有限公司、内蒙古佰邦劳务服务有限公司要严格落实企业安全主体责任,加大力度进行整改和事故防范,举一反三,防止类似事故再次发生。
(一)内蒙古鑫元硅材料科技有限公司
1. 内蒙古鑫元硅材料科技有限公司要强化承包方作业的安全管理,严格审核承包方的资质和人员资质,定期开展现场检查,杜绝承包方的违规行为,健全管理制度。
2. 内蒙古鑫元硅材料科技有限公司要加强现场管理,针对合金斗区域用黄色或白色标记合金斗摆放位置、安全间距(确保人员通行安全),划定专用人员安全通道并保持畅通。加强危险作业的现场安全监护,落实危险因素应对措施,确保安全措施落实到位。
3.内蒙古鑫元硅材料科技有限公司要加强对承包方安全教育培训工作,提高重点岗位人员安全操作能力,强化操作规程学习和使用,杜绝生产作业过程中“三违”现象,从源头上堵塞漏洞。
4.内蒙古鑫元硅材料科技有限公司要针对所辖区域各作业现场开展危险源辨识、事故隐患专项排查治理工作,并制定整改措施,明确完成时限,及时消除隐患。
(二)内蒙古佰邦劳务服务有限公司
1.内蒙古佰邦劳务服务有限公司要严格落实安全教育培训制度,切实做到先培训后上岗,确保特种作业人员必须按规定持证上岗。
2.内蒙古佰邦劳务服务有限公司要配备劳动防护用品,确保员工规范佩戴;制定生产安全事故应急救援预案,定期组织应急演练。
3.内蒙古佰邦劳务服务有限公司要提升安全管理人员风险辨识能力,及时发现隐患并消除隐患,创造安全有序生产环境。
事故调查组
2025年12月16日
事故调查组成员签名:


蒙公网安备
15020302000445号